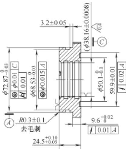
(1)產品零件的精度與定位夾緊分析。如圖1所示的產品零件法蘭,材料為7050硬鋁。該圖為精密數控車工序圖,由圖可知,以本工序中的內孔φ(38.16±0.008)mm為定位基準來加工大外環厚度為9.5+0.1 +0mm的兩側面。兩側面對定位孔的跳動量要求≤0.0 2 m m;要加工φ6 6.4 2-0 -0.04mm外圓及φ61.98-0 -0.04mm×4.65+0.23 +0 mm槽,且外圓及槽對定位孔的同軸度要求≤φ0.015mm;此外,還要加工φ60-0 -0.013mm×1.3-0 -0.1mm外圓及端面。同樣,外圓對定位孔的圓跳動量要求≤φ0.01mm。從該工序的加工內容及技術要求可知,該零件公差小,幾何公差要求非常嚴格,要加工出合格零件非常困難。加之鋁合金材料軟,在裝夾過程中稍不小心,極易產生劃傷或壓痕,造成零件不合格。

圖 1
從圖1中可以看出,零件的工序基準為內孔,選擇合理的定位夾緊方式是本工序的關鍵。按照零件的特點以及定位基準的要求,應當選用彈性套筒定心夾緊,液性塑料定心夾緊機構,或者采用與零件選配的無間隙心軸用端面壓緊的方式是比較適宜的。但生產中使用這些方案都不能保證零件的技術要求。原因有:①3種工裝由于自身的制造誤差和在機床上安裝的誤差經疊加后,基本上都超過了零件工序中規定的幾何公差。②彈簧套外圓上開有槽,脹緊像鋁合金這樣較軟的零件時,極易對產品零件的內孔產生壓痕。③彈簧套筒心軸和液性塑料心軸結構復雜,制造難度較大。
行政事業單位內部控制工作人員對該項工作認識不足,相關工作人員的總體素質不太高,需要對工作人員進行培訓,做好宣傳工作。工作可以分為以下幾個方面:一是以省為單位,成立專門的部門,對省內行政事業單位的相關工作人員進行分批、定期的培訓,增強他們內部控制意識,面對問題學會獨立解決。第二,工作人員對相關工作的學習,參照相關的規章制度,對存在的問題進行分析,然后自己研究出針對性的對策,逐漸提升工作人員的素質。第三,行政事業單位對員工進行考察與考核的時候,將內部控制的指標納入考核標準,逐漸提高相關人員的素質。
3)在場區地質條件適宜的條件下,采用柔性垂直防滲系統,可以快速、有效地實現污染物的阻隔,結合封場技術,可將垃圾進行三維立體阻隔,形成1個獨立的地質單元,確保消除簡易填埋場對周邊環境的污染。
經過反復的摸索和試驗,設計了如圖2所示的一種新的定心夾緊機構——液壓脹緊心軸,在使用中完全滿足了技術要求。
(2)液壓脹緊心軸的結構設計與工作原理。液壓心軸的結構如圖2所示,其中的關鍵零件為心軸,心軸內部有一個薄壁內腔,內腔裝有粘度較大的液壓油,內腔兩端都分別設置有與柱塞、Yx型孔用密封圈相配合的孔和螺紋。心軸工作時,D1端由車床的三爪自定心卡盤或彈簧套夾緊,裝上工件,擰緊螺釘7,心軸空腔內裝滿的液壓油在柱塞的壓力下,產生的壓力脹大薄壁處的外圓,這樣就實現了對工件的定位夾緊,由于薄壁處的外圓為光滑外圓,它和工件采用φ38.16f8/H7的配合精度,工作時產生的力量對工件產生夾緊,不會對工件內孔造成壓痕并且墊圈輕輕靠在產品上,形成雙定位防止產品滑動,防止對內孔壁造成傷害。
心軸在設計制造中有以下幾點值得注意:①心軸的工作外圓和工件內孔的配合采用f8/H7的配合精度,便于產品零件的定位,夾緊可靠。②要嚴格控制空腔壁厚。壁厚厚,心軸不易脹起來,夾緊力不可靠;壁薄,心軸的強度減弱。③心軸前端的內螺紋與柱塞相配合的孔的長度要控制好,保證心軸內孔中的柱塞有足夠的位移調節空間,以便保證產生足夠的脹緊力。此外,心軸前端與螺塞配合的孔的直徑,盡量控制在φ30mm以下,以避免操作者擰緊螺母時使用較大的力而影響心軸的定位,造成不必要的麻煩。④該心軸選用Yx型孔用密封圈。實踐證明,使用該密封圈,壓力越大密封圈翻邊越大,密封越好。密封圈夾緊可靠,且膠圈壽命長。⑤考慮到心軸內Yx型密封圈裝配和灌油的方便,d2(與左調壓螺塞配合的孔的直徑)一般應取的比d1(與右調壓螺塞配合的孔的直徑)大,且d1、d2的孔口兩端都做出至少R3mm以上并拋光R。
我國的社會主義性質決定,政府一方面是社會管理者和宏觀經濟調控者,另一方面是國企的出資者。政府為了創造經濟發展的良好形象,必然提供與之相關的財務數據。另外,國企領導的任期短,獎懲機制不健全,使得企業領導人不注重可持續發展,只關心眼前利益。
(3)心軸空腔處壁厚的確定。心軸空腔壁厚的確定,參照液性塑料定心夾緊結構中薄壁套筒壁厚h的計算方法來求得。計算方法按附表公式選取。
液壓脹緊心軸可以按圖2所示的那樣,全部按工裝設計圖樣的精度要求制造完成后使用,也可以將心軸做成半成品,待心軸使用時,將心軸工作外圓精車后再使用。兩種方法的使用各有其特點,如果按照第1種方法,使用心軸前,把心軸夾緊在車床三爪自定心卡盤上,要找正心軸的工作外圓和車床主軸同軸,否則不能保證產品質量。但是,找正同軸難度較大。在加工如圖1所示的零件時,因為零件精度太高,所以采用第2種方法。
信息數據的加密是其安全隱私保護中經常會用到的手段,雖說該類技術能夠在一定程度上增加信息數據的安全性,避免泄露事件的發生,但它卻無法準確應用到所有數據的隱私防護之中。反之,利用加密數據搜索技術能夠完成對所有重要數據的隱私保護,以提升用戶隱私信息的安全性。具體來說,依托云計算運用數據搜索能夠有效降低相對應的限制問題,但卻仍能夠在特定情況下引發數據丟失的問題。總體來說,應用加密數據搜索技術的安全性相對較高,是當前形勢下可以嘗試推廣應用的技術。
在加工圖1所示法蘭零件時,為保證零件精度,心軸在交付使用時,其夾緊外圓D2按工裝要求精車成,以方便心軸在機床定位可靠。心軸的內腔按工裝圖鏜至尺寸,灌滿液壓油,兩端的柱塞和密封圈調節到剛好壓緊的狀態。而心軸的工作外圓D通常留有1mm的精車余量,心軸的工作外圓前端的外螺紋不車,螺紋大徑留有1~2mm余量。當心軸使用時,將心軸在車床三爪自定心卡盤或彈簧套上夾緊,然后精車工作外圓D及工作外圓前端的外螺紋,這樣工作外圓及螺紋便和機床主軸保證同心,避免了按方法1夾緊時產生的夾具安裝誤差,工件在心軸上定位精度得到提高。

圖 2
1. 密封螺栓 2.心軸 3. 左調壓柱塞 4、5.密封圈 6. 右調壓柱塞 7.密封螺釘 8.壓緊螺母9、13.墊片 10、12. 軸端螺母 11. 液壓油 14.三爪自定心卡盤或彈簧套
薄壁套筒壁厚計算表

套筒定位直徑D/mm 套筒薄壁長度L/mm 套筒壁厚h/mm D=10~50 D>10~50 L>D/2 h=0.015D+0.5 h=0.025D D/2>L≥D/4 h=0.01D+0.5 h=0.02D D/4>L≥D/8 h=0.01D+0.25 h=0.015D D<150
使用心軸時裝上工件,用螺母壓緊工件,但此壓緊力不能大,只用手指帶緊螺母,讓工件貼緊工作外圓D的端面即可。然后旋緊螺釘7,用手用力扳不動心軸上的工件時,說明工件已被心軸夾緊可靠,可以使用了。
液壓脹緊心軸和過去傳統的彈性定心夾緊機構彈簧夾頭以及液性塑料心軸相比,有明顯的優點:
(1)結構簡單,制造容易,成本低。彈簧夾頭主要零件是彈簧套和心軸,彈簧套使用60Si2Mn或50CrV,機加制造過程和熱處理過程要求較高,要保證高精度難度較大,液性塑料心軸的結構更為復雜,其心軸和定位套筒的機加難度更大。且液性塑料心軸要澆注液態的塑料,澆注中心軸要排氣,否則不容易灌滿,制作過程也較麻煩。而圖2所示的液壓心軸則可以用45鋼經調質后(急用時也可不調質)精車成,制造過程十分簡單,成本相當低。
(2)制造過程無污染、方便。液性塑料心軸在制作過程中,需要將聚氯乙烯樹脂等3種不同的化學樹脂加熱到140~168℃,加熱過程中釋放出的氣味難聞,對環境污染大。而液壓心軸制作過程中直接灌液壓油,不存在這些問題。
雖然液壓脹緊心軸有如上的優點,但它不可能替代彈簧套心軸和液性塑料夾緊心軸,傳統的定心夾緊機構也有自身的優點。盡管如此,液壓脹緊心軸仍然是一種新穎的定心夾緊形式,尤其是在新品研制中,作為一種短、頻、快且有著高精度定心的夾緊工裝,有它無限的生命力。