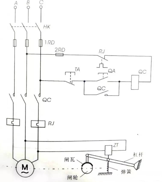
機械制動是利用機械裝置使電動機在切斷電源后迅速停轉。采用比較普通的機械制動設備是電磁抱閘。電磁抱閘主要由兩部分組成,制成電磁鐵和閘瓦制動器。
當按下按鈕QA,接觸器QC線圈獲電動作,電動機通電。電磁抱閘的線圈ZT也通電,鐵芯吸引銜鐵而閉合,同時銜鐵克服彈簧拉力,迫使制動杠桿向上移動,從而使制動器的閘瓦與閘輪松開,電動機正常運轉。當停止按鈕TA,接觸器QC線圈斷電釋放,電動機的電源被切斷時,電磁抱閘的線圈也同時斷電,銜鐵釋放,在彈簧拉力的作用下使閘瓦緊緊抱住閘輪,電動機就迅速被制動停轉。

這種制動在起重機械上廣泛使用。當重物吊到一定高處,線路突然發生故障斷電,電動機斷電,電磁抱閘線圈也斷電,閘瓦立即抱住閘輪使電動機迅速制動停轉,從而可防止重物掉下。另外,也可以利用這一點將重物停留在空中某個位置。