無創機械通氣是指通過鼻罩或者面罩連接,利用呼吸機在上呼吸道應用正壓以增加肺泡通氣,進而給予患者通氣支持。
相對于有創機械通氣,無創機械通氣可預防氣管插管相關并發癥、減少患者不適、維持自主的氣道保護機制,其臨床應用越來越廣泛。
今天,筆者將從性能、連接器、模式三方面來介紹無創機械通氣。

無創呼吸機是實現無創機械通氣的主要裝置。無創呼吸機的性能越好成功率越高。無創呼吸機主要性能要求有:
1. 人機同步性:靈敏的吸氣觸發與呼氣切換可保證人機協調,增加患者的舒適性及治療成功率。
2. 工作模式:無創呼吸機需要具有常用基礎模式 CPAP、S、T、S/T、PCV。
3. 性能指標:
氧濃度可調 21%~100%(這里不得不提一句,市場有 2 種類型:一種是內置供氧模塊的也就是可以調節氧濃度(21%~100%)的呼吸機,一種是不帶供氧模塊的通過外接氧氣來調節氧濃度的呼吸機,這里推薦使用氧濃度可以調節的無創呼吸機);
最大吸氣壓至少 25~30 cmH2O;
最大吸氣流速 180 L/min 以上,這決定呼吸機的漏氣補償能力。
4. 監測報警:最好具備潮氣量監測、漏氣量監測及波形監測功能,更好的指導臨床參數設置。

無創機械通氣的最大特點在于它非侵入性的連接方式。無創呼吸機連接器有鼻罩、口鼻罩(面罩)、全面罩、頭盔等,目前以鼻罩、口鼻罩最常用。

接下來,我們認識一下面罩的幾個重要的構造。

注:(1)排氣孔,(2)安全閥,(3)多功能連接小孔,(4)氣管鏡操作孔。
1. 排氣孔
有些面罩上存在一片散在均勻的小孔,這是排氣孔,是患者呼氣的地方。有些面罩則沒有這些排氣的小孔,那么就需要外接呼氣閥(平臺閥、側孔閥、靜音閥都屬于呼氣閥)來保證患者的呼氣。
平時臨床中使用,切不可既無排氣孔又無呼氣閥,也不可在有排氣孔的情況下再接呼氣閥。
2. 安全閥
又叫防窒息閥,由塑料膜片和一個孔徑較大的漏氣孔組成。在流入面罩的氣流受到阻礙時,此孔可提高安全性。
呼吸正常工作時,因管路里的氣流和正壓作用于膜片,使其向上封閉漏氣孔,維持正常通氣。
當呼吸機故障或管路斷開等,管路內無氣流和正壓,塑料膜片由于重力作用向下垂落,該漏氣孔打開,患者可通過此孔進行呼吸,提高安全性。
3. 多功能連接小孔
這些小孔接口可連接氧氣或測壓管。
4. 氣管鏡操作孔
此孔可使患者在無創呼吸機支持下順利完成氣管鏡操作。
(向下滑動查看詳細介紹)
無創呼吸機模式看起來復雜多樣,其實它們之間是相互聯系的,筆者今天通過結合呼吸機波形,帶大家來簡單了解無創呼吸機模式 CPAP、S、T、S/T、PCV。
1. 自主呼吸

自主呼吸時,吸氣負壓,呼氣正壓。
2. CPAP 模式

CPAP 模式下,呼吸機在吸氣相和呼氣相均提供一個相同的壓力,整個通氣過程由自主呼吸完成,實質是以零壓為基線的自主呼吸基線上移一個 CPAP 壓力,有利于打開氣道。
主要用于阻塞性睡眠呼吸暫停綜合征、肺水腫等。該模式不提供吸氣壓力支持。
3. S 模式

該模式相當于有創的 PS+PEEP 模式,在吸氣期提供呼吸支持。但該模式必須在患者自主呼吸較強的情況下,每次呼吸都需要患者觸發,當患者無觸發,呼吸機則不送氣。
如圖中 A 吸氣前壓力下降,代表此次呼吸由病人觸發送氣。B 為吸呼氣切換點,為自主切換。
4. T 模式

時間觸發的控制通氣,時間觸發(C)時間轉換(D),呼吸機完全控制病人的呼吸,適用于病人無自主呼吸或不能自主觸發呼吸機。
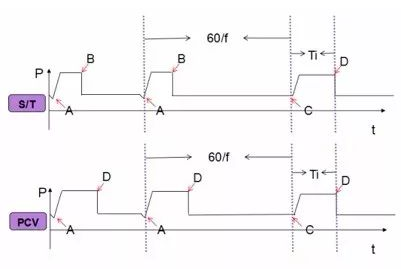
5. S/T 模式

S/T 模式較 S 模式更安全,是臨床中最常用的模式。當患者沒有自主呼吸或自主呼吸微弱時,將會強制啟動 T 模式一次。
如圖,前面 2 次送氣前壓力下降(A),代表這兩次送氣由病人觸發,并且吸呼氣切換為自主轉換(B)。
但是后面患者沒有觸發了,呼吸機則在前一次送氣的開始算起,等待至 60/f(若呼吸頻率 f 為 12,則呼吸機將會等待 60/12,也就是 5 秒),如果此時患者還沒有觸發(也就是 C 點處)呼吸機則強制送一次氣,也就是 T 模式,并且此次送氣時間為設定的 Ti,吸呼氣切換為時間轉換 (D)。
6. PCV 模式

PCV 其實相當于有創模式的 P-A/C 模式, 原理與 S/T 模式相似,與 S/T 不同的是,它屬于控制通氣,也就是說不管此次呼吸是不是患者觸發的送氣,呼吸機都控制病人的吸氣時間。
如圖 D,患者每次呼吸的吸呼氣切換都為時間轉換。